This website works better with JavaScript
Trang chủ
Khám phá
Đăng nhập
clementinecomputing
/
Popufare-Auxiliary-Documentation
Xem
1
Star
0
Fork
0
Các tập tin
Các vấn đề
0
Yêu cầu khéo về
0
Wiki
Browse Source
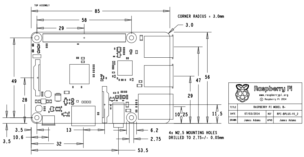
more rpi 3b+ specs
abetusk
6 năm trước cách đây
mục cha
56a22f6f17
commit
36bb83e23d
1 tập tin đã thay đổi
với
0 bổ sung
và
0 xóa
Split View
Hiển thị tình trạng sai khác
BIN
datasheets/raspberry-pi/mechanicalspecBp.png
BIN
datasheets/raspberry-pi/mechanicalspecBp.png
Xem Tập Tin