This website works better with JavaScript
Главная
Обзор
Вход
clementinecomputing
/
Popufare-Auxiliary-Documentation
Следить
1
В избранное
0
Ответвить
0
Файлы
Задачи
0
Запросы на слияние
0
Вики
Дерево:
0e3998e0a7
Ветки
Метки
release
Popufare-Aux...
/
datasheets
/
raspberry-pi
/
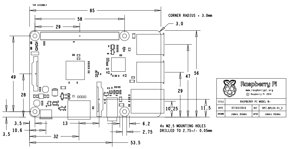
mechanicalspecBp.png
mechanicalspecBp.png
35 KB
История
Исходник