This website works better with JavaScript
Domů
Procházet
Přihlásit se
clementinecomputing
/
Popufare-Auxiliary-Documentation
Sledovat
1
Oblíbit
0
Rozštěpit
0
Soubory
Úkoly
0
Pull Requesty
0
Wiki
Strom:
13732f83fc
Větve
Značky
release
Popufare-Aux...
/
datasheets
/
raspberry-pi
/
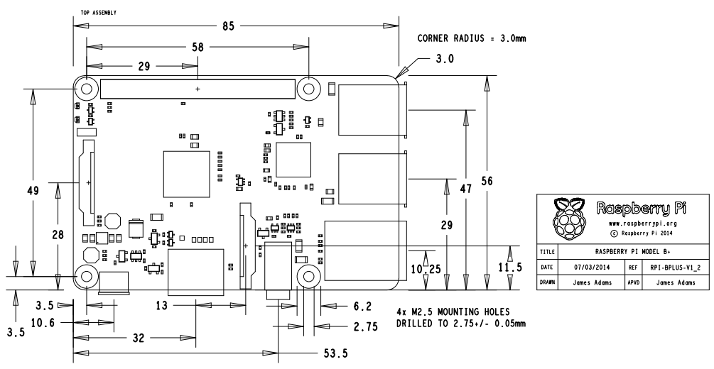
mechanicalspecBp.png
mechanicalspecBp.png
35 KB
Historie
Surový