This website works better with JavaScript
صفحهٔ اصلی
گشتوگذار
ورود
clementinecomputing
/
Popufare-Auxiliary-Documentation
دنبال کردن
1
ستاره دار
0
انشعاب
0
پروندهها
مشکلات
0
درخواست واکشی
0
ویکی
درخت:
23eb98734c
شاخهها
تگها
release
Popufare-Aux...
/
datasheets
/
raspberry-pi
/
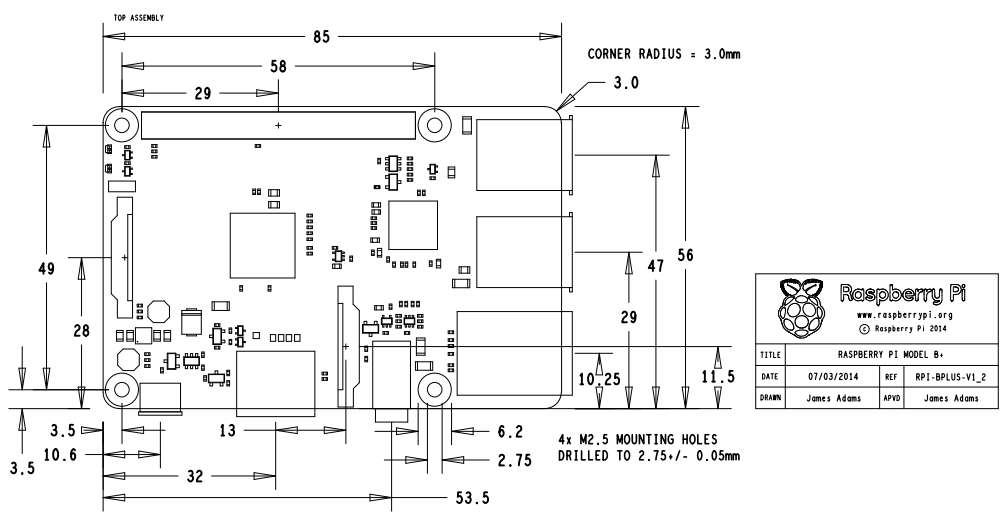
mechanicalspecBp.png
mechanicalspecBp.png
35 KB
تاريخچه
خام