This website works better with JavaScript
Головна сторінка
Огляд
Увійти
clementinecomputing
/
Popufare-Auxiliary-Documentation
Слідкувати
1
Зірка
0
Відгалуження
0
Файли
Проблеми
0
Запити на злиття
0
Wiki
Дерево:
51961d48ac
Гілки
Теги
release
Popufare-Aux...
/
datasheets
/
raspberry-pi
/
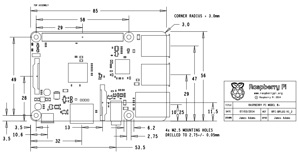
mechanicalspecBp.png
mechanicalspecBp.png
35 KB
Історія
Запис