This website works better with JavaScript
Почетна
Преглед
Пријавите се
clementinecomputing
/
Popufare-Auxiliary-Documentation
Прати
1
Волим
0
Креирај огранак
0
Датотеке
Дискусије
0
Захтеви за спајање
0
Вики
Дрво:
6afaec47d1
Гране
Ознаке
release
Popufare-Aux...
/
datasheets
/
raspberry-pi
/
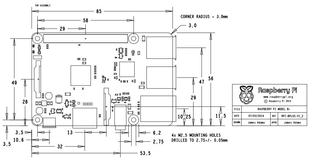
mechanicalspecBp.png
mechanicalspecBp.png
35 KB
Историја
Датотека