This website works better with JavaScript
Página Principal
Explorar
Iniciar Sessão
clementinecomputing
/
Popufare-Auxiliary-Documentation
Vigiar
1
Colocar Estrela
0
Fork
0
Ficheiros
Problemas
0
Pull Requests
0
Wiki
Árvore:
c9b6e150c7
Ramos
Etiquetas
release
Popufare-Aux...
/
datasheets
/
raspberry-pi
/
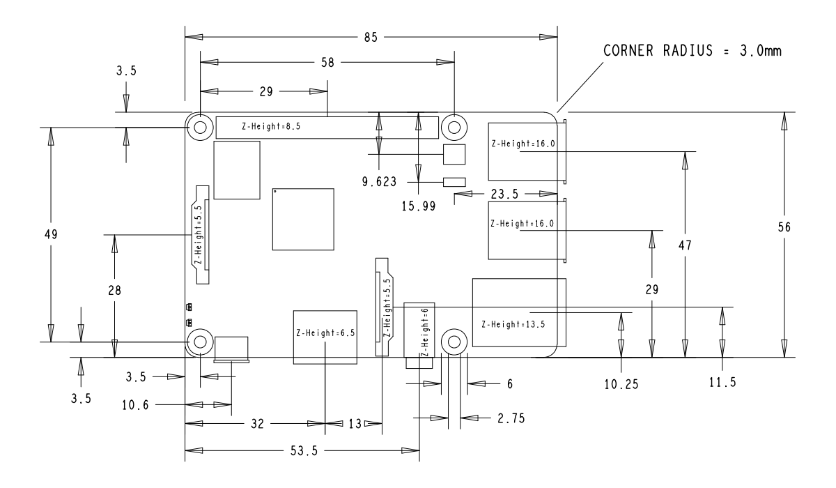
raspberry_pi_3_b_plus_mechanical.png
raspberry_pi_3_b_plus_mechanical.png
29 KB
Histórico
Em bruto