This website works better with JavaScript
Home
Explore
Sign In
clementinecomputing
/
Popufare-Auxiliary-Documentation
Watch
1
Star
0
Fork
0
Files
Issues
0
Pull Requests
0
Wiki
Tree:
d65094ee6c
Branches
Tags
release
Popufare-Aux...
/
datasheets
/
raspberry-pi
/
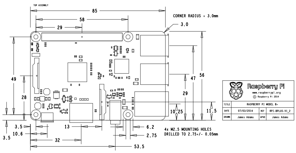
mechanicalspecBp.png
mechanicalspecBp.png
35 KB
History
Raw