This website works better with JavaScript
Kezdőlap
Felfedezés
Bejelentkezés
clementinecomputing
/
Popufare-Auxiliary-Documentation
Figyelés
1
Kedvenc
0
Másolás
0
Fájlok
Problémák
0
Beolvasztási kérések
0
Wiki
Branch:
release
Branch-ok
Tag-ek
release
Popufare-Aux...
/
datasheets
/
raspberry-pi
/
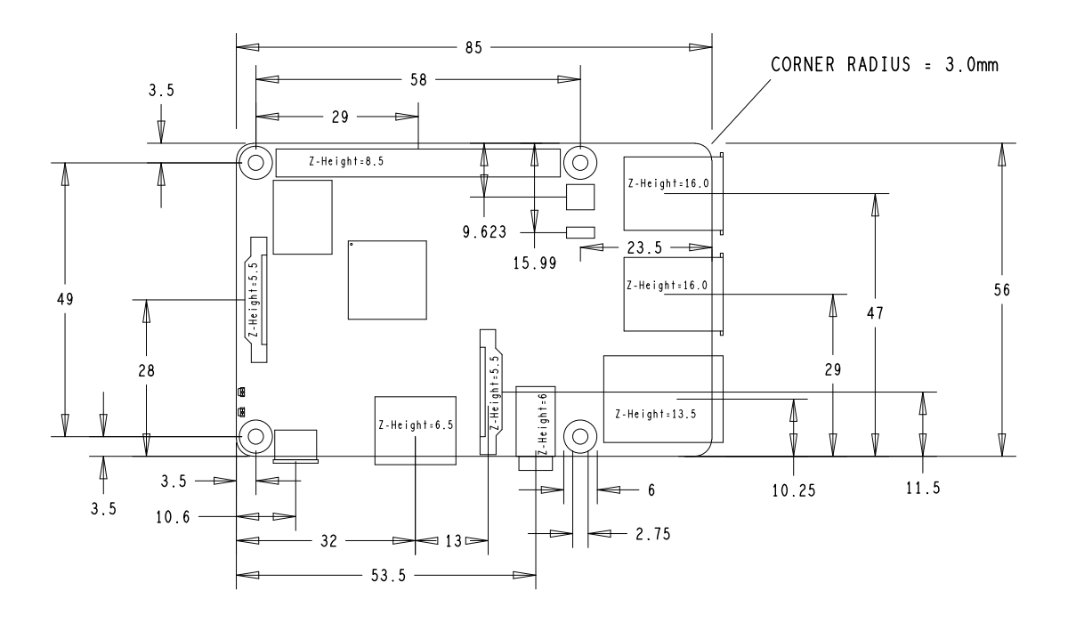
raspberry_pi_3_b_plus_mechanical.png
raspberry_pi_3_b_plus_mechanical.png
29 KB
Állandó hivatkozás
Előzmények
Nyers